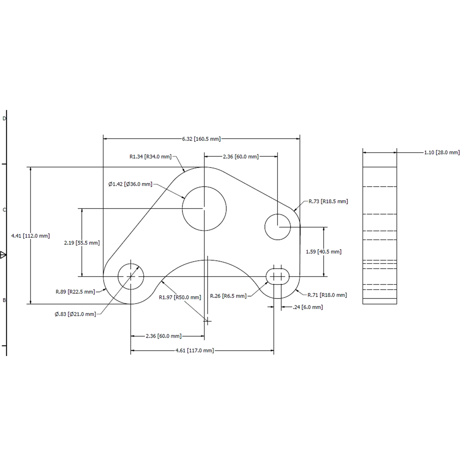
Link to convert PWRXF2 to PWRXT2 to attach Hoist Fixed to trolley
SKU: PWRXF2-CONVERSION-LINK 0 disponibles Solicitar
Special Link to convert PWRXF2 to PWRXT2 to attach Hoist Fixed to trolley